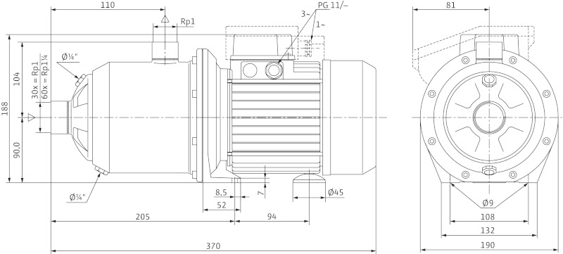
Садовый насос Wilo MP 603 1~

Рейтинг покупателей:
0
Рейтинг "Потребителя":
Поделиться:
Садовый насос Wilo MP 603 1~
Садовый насос Wilo MP 603 1~
Купить
Характеристики
Отзывы
Бренд Германия
Основные характеристики
Тип насоса поверхностный
Принцип действия центробежный
Качество воды чистая
Производительность, куб. м/час 8
Высота подъема воды, м 33
Потребляемая мощность, Вт 750
Напряжение питания, В 220
Max температура воды, °С 35
Min температура воды, °С 5
Показать все характеристики

Отзывы и комментарии

Описание модели

Применение

  • Системы водоснабжения

  • полив

  • ирригация и орошение

  • Использование дождевой воды

Обозначение

Пример: MP-305-EM
MP MultiPress (многоступенчатый нормальновсасывающий горизонтальный центробежный насос)
3 Номинальный расход Q в м³/ч
05 Количество рабочих колес
EM Однофазный ток, 1~230 В 50 Гц
DM Трехфазный ток, 3~230/400 В, 50 Гц

Особенности/преимущества продукции

  • Низкий уровень шума

  • Идеально подходит в качестве основного насоса для систем использования дождевой воды

  • Трехфазный электродвигатель IE2-IEC (≥ 0,75 кВт)

Оснащение/функции

  • Непосредственно прифланцованный мотор

  • Термическое реле мотора в исполнении для 1~230 В

Материалы

  • Корпус насоса из нержавеющей стали 1.4301

  • Рабочее колесо из Noryl

  • Вал из нержавеющей стали 1.4057/14404 (1,1 кВт)

  • Скользящее торцевое уплотнение из керамики/графита

  • Секции Noryl

  • Уплотнения из NBR